

Scaun universal pentru tractor si utilaje agricole, mecanic, reglabil # STplus BSV1-YP15
Disponibilitate
In Stoc
1.29528 LEI
1.43920 LEI
SCAUN UNIVERSAL PENTRU TRACTOR ȘI UTILAJE AGRICOLE, MECANIC, REGLABIL # STPLUS BSY1-YP15
Scaun universal pentru tractoare și utilaje agricole de înaltă calitate din PVC, cu baza culisantă, având posibilitatea de reglare 250 mm în față și în spate. Scaunul are o suspensie mecanică, 100 mm (cu telescop și 4 arcuri).
Acest scaun de tractor poate fi reglat în funcție de greutatea utilizatorului (50 - 130 kg).
Pentru un confort maxim:
- Coteira scaunului este reglabilă;
- Șezutul scaunului este cu pernă din poliuretan;
- Înălțimea scaunului se poate regla (80 mm);
Date tehnice scaun universal pentru tractoare și utlaje agricole #STplus BSV1-YP15
| Aplicație / Categorie | Tractor / Utilaje agricole |
| Scaun universal | √ |
| Suspensie mecanică pe arcuri și telescop | √ |
| Dinamica suspensiei | 100 mm (telescop și 4 acruri) |
| Bază culisantă | Reglare 250 mm în față și în spate |
| Reglarea scaunului în funcție de greutate | 50 - 130 kg |
| Cotieră | Pliabilă |
| Scaun cu pernă din poliuretan | √ |
| Înălțime reglabilă | 80 mm |
| Material | PVC |
| Culoare | Negru |
| Certificate | EU 1322/2014 – ECE R16.06 |
| Accesorii incluse: | |
![]() |
Cotieră pliabilă cu suport |
![]() |
Extensie spătar |
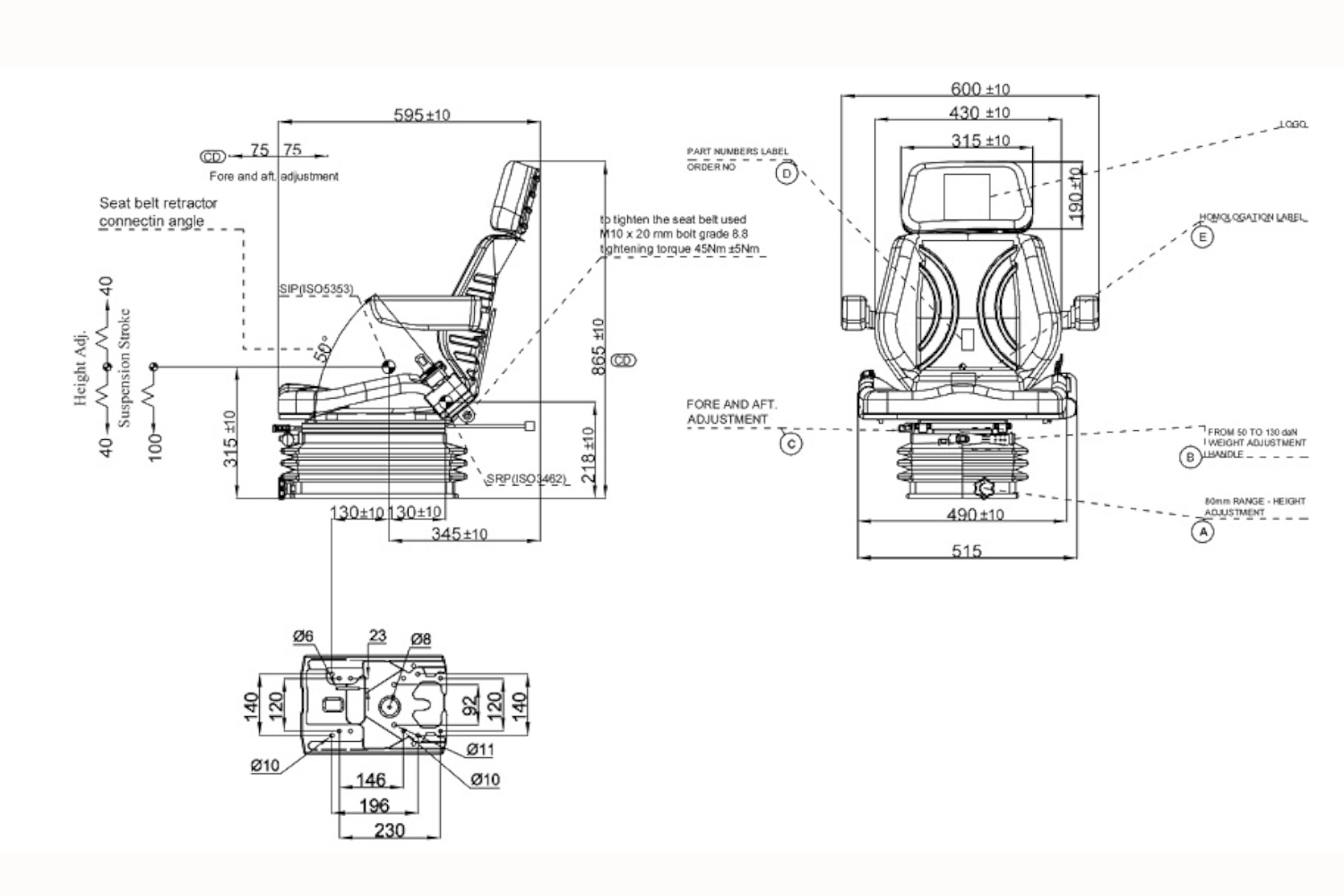
Desen tehnic:

Opțiuni de culoare și material la comandă:

Adauga un review
Enache Mihai
in data de 12-08-2023 19:56:17
Achizitie verificata
Scartaie





Review pentru: Scaun universal pentru tractor si utilaje agricole, mecanic, reglabil # STplus BSV1-YP15
Pai .. prima zi de lucru si scartaie .... el e confortabil nimic de zis ..
Cristea
in data de 04-07-2022 15:53:34
Review vizitator site
Multumesc





Review pentru: Scaun universal pentru tractor si utilaje agricole, mecanic, reglabil # STplus BSV1-YP15
L-am comandat pt un tractor forestier, Se potriveste de minune si a fost livrat rapid.
Claudiu
in data de 01-07-2022 15:52:17
Review vizitator site
Suspenie confortabila





Review pentru: Scaun universal pentru tractor si utilaje agricole, mecanic, reglabil # STplus BSV1-YP15
Suspensia este foarte confortabila.
Ciprian
in data de 01-07-2022 15:47:02
Review vizitator site
bun





Review pentru: Scaun universal pentru tractor si utilaje agricole, mecanic, reglabil # STplus BSV1-YP15
am comandat scaunul e foarte confortabil si amterial bun
Sebi
in data de 30-06-2022 15:59:16
Review vizitator site
este foarte confortabil!





Review pentru: Scaun universal pentru tractor si utilaje agricole, mecanic, reglabil # STplus BSV1-YP15
Am comandat acest scaun si mi-a ajuns la 2 zile de la comanda. Foarte bun, multumesc.
Costea
in data de 30-06-2022 15:55:22
Review vizitator site
Foarte seriosi





Review pentru: Scaun universal pentru tractor si utilaje agricole, mecanic, reglabil # STplus BSV1-YP15
Multumesc echipa Mavi. Foarte seriosi
Florin Florea
in data de 29-06-2022 11:26:01
Review vizitator site
Suspensia buna





Review pentru: Scaun universal pentru tractor si utilaje agricole, mecanic, reglabil # STplus BSV1-YP15
Imi place suspenia mecanica.
Elian
in data de 29-06-2022 10:01:41
Review vizitator site
Livrarea a fost rapida iar calitatea peste medie





Review pentru: Scaun universal pentru tractor si utilaje agricole, mecanic, reglabil # STplus BSV1-YP15
Am cumparat acest scaun deoarece cel vechi era foarte uzat. Diferenta este foarte mare, lucrul nou e lucru nou. Recomand!
Virgil
in data de 27-06-2022 10:26:24
Review vizitator site
Calitate buna la material





Review pentru: Scaun universal pentru tractor si utilaje agricole, mecanic, reglabil # STplus BSV1-YP15
Material de calitate
Gica
in data de 24-06-2022 15:29:20
Review vizitator site
Produs foarte bun





Review pentru: Scaun universal pentru tractor si utilaje agricole, mecanic, reglabil # STplus BSV1-YP15
Acest scaun e foarte bun pentru ca este reglabil iar livrarea foarte rapida, s-au tinut de cuvant cu timpul de livrare.
Pop
in data de 24-06-2022 08:10:43
Review vizitator site
Calitate





Review pentru: Scaun universal pentru tractor si utilaje agricole, mecanic, reglabil # STplus BSV1-YP15
Materialul este de calitate.
Livrarea produselor se face cu firme de curierat rapid sau cu flota propie de mașini în întreaga arie naţională.


