



Scaun universal pentru utilaj agricol / forestier / industrial, pneumatic, reglabil # STplus TV2LX
Disponibilitate
In Stoc
2.75654 LEI
3.06282 LEI
SCAUN UNIVERSAL PENTRU UTILAJ AGRICOL / FORESTIER / INDUSTRIAL, PNEUMATIC, REGLABIL # STplus TV2LX
Scaun universal pentru utilaje agricole / forestiere / industriale de înaltă calitate din PVC, cu baza culisantă, având posibilitatea de reglare 170 mm în față și în spate. Scaunul are o suspnensie dinamică, 80 - 100 mm (pneumatică și cu telescop).
Acest scaun de tractor poate fi reglat în funcție de greutatea utilizatorului (50 - 130 kg).
Pentru un confort maxim:
- Coteira scaunului este pliabilă;
- Șezutul scaunului este cu pernă din poliuretan;
- Spătarul este cu vacuum;
- Înălțimea scaunului se poate regla (60 mm);
- Scaunul este echipat cu un spătar reglabil de la 30˚ la 85˚
Date tehnice scaun universal pentru utlaj agricol / forestier / industrial #STplus TV2LX:
| Aplicație / Categorie | Utilaje agricole / forestiere / industriale |
| Scaun universal | √ |
| Suspensie pneumatică | √ |
| Compresor aer integrat | 12V/24V - 9A |
| Dinamica suspensiei | 80 -100 mm (pneumatică și cu telescop) |
| Bază culisantă | Reglare 170 mm în față și în spate |
| Reglarea scaunului în funcție de greutate | 50 - 130 kg |
| Cotieră | Pliabilă |
| Reglare lombară mecanică | √ |
| Scaun cu pernă din poliuretan | √ |
| Spătar vacuum | √ |
| Înălțime reglabilă | 60 mm |
| Spătar reglabil | de la 30˚ la 85˚ |
| Spătar extensibil | √ |
| Material | Stofă |
| Culoare | Negru |
| Certificat | EU 1322/2014 – ECE R16.06 |
| Accesorii incluse: | |
![]() |
Extensie reglabilă pentru spătar. |
![]() |
Cotieră pliabilă |
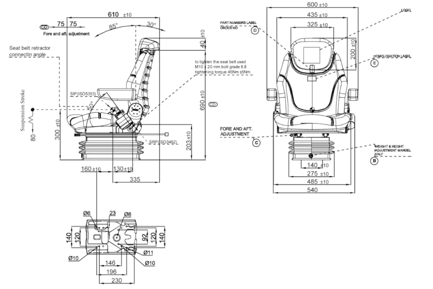
Desen tehnic:
Opțiuni de culoare și material la comandă:

Adauga un review
Radu
in data de 04-07-2022 15:44:42
Review vizitator site
Calitate si confort





Review pentru: Scaun universal pentru utilaj agricol / forestier / industrial, pneumatic, reglabil # STplus TV2LX
L-am comandat pe cel mai scump deoarece tractoristii mei au tot avut probleme de sanatate. Din ce am inteles acesta e super ok, o sa mai am nevoie de inca 2.
Endre
in data de 01-07-2022 15:49:34
Review vizitator site
Covasna





Review pentru: Scaun universal pentru utilaj agricol / forestier / industrial, pneumatic, reglabil # STplus TV2LX
Multumit ca are si accesori incluse.
Liviu
in data de 01-07-2022 15:43:53
Review vizitator site
Merita





Review pentru: Scaun universal pentru utilaj agricol / forestier / industrial, pneumatic, reglabil # STplus TV2LX
Foarte confortabil, raport calitate pret excelent, merita toti baniiA fost livrat rapid.
Gavril
in data de 30-06-2022 15:57:10
Review vizitator site
Calitate conform pretului





Review pentru: Scaun universal pentru utilaj agricol / forestier / industrial, pneumatic, reglabil # STplus TV2LX
Ma asteptam sa fie de calitate la ce bani am dat pe el. Este intr-adevar si foarte confortabil, il am montat de o saptaman si am doar cuvinte de lauda. Multumesc pentru livrarea rapida
Barna
in data de 29-06-2022 11:23:04
Review vizitator site
Accesorii incluse





Review pentru: Scaun universal pentru utilaj agricol / forestier / industrial, pneumatic, reglabil # STplus TV2LX
Imi place ca are accesoriile incluse
Marius
in data de 29-06-2022 09:51:52
Review vizitator site
Calitate si promptitudine!





Review pentru: Scaun universal pentru utilaj agricol / forestier / industrial, pneumatic, reglabil # STplus TV2LX
Am comandat acest scaun si pot spune ca sunt foarte foarte multumit. Nu am mai avut pneumatic pana acum dar diferenta e de la cer la pamant. A fost livrat super rapid in termenul comunicat telefonic, deoarece am fost sunat dupa comanda.
Anton
in data de 27-06-2022 10:28:05
Review vizitator site
Pentru New Holland





Review pentru: Scaun universal pentru utilaj agricol / forestier / industrial, pneumatic, reglabil # STplus TV2LX
L-am pus pe un New Holland si merge la fix fiind universal.
Valer
in data de 24-06-2022 15:26:26
Review vizitator site
Scaunul pentru buldo e foarte bun





Review pentru: Scaun universal pentru utilaj agricol / forestier / industrial, pneumatic, reglabil # STplus TV2LX
Am comandat scaunul pentru a-l monta pe un buldoexcavator, se potriveste la fix, e universal. L-am primit repede iar transportul a fost gratuit.
Grigore
in data de 24-06-2022 08:13:09
Review vizitator site
De calitate





Review pentru: Scaun universal pentru utilaj agricol / forestier / industrial, pneumatic, reglabil # STplus TV2LX
Arata foarte bine si este construit din materiale de calitate.
Livrarea produselor se face cu firme de curierat rapid sau cu flota propie de mașini în întreaga arie naţională.


