



Scaun universal pentru utilaj agricol / forestier / industrial, mecanic, reglabil # STplus TV4LX
Disponibilitate
In Stoc
2.23325 LEI
2.48139 LEI
SCAUN UNIVERSAL PENTRU UTILAJ AGRICOL / FORESTIER / INDUSTRIAL, MECANIC, REGLABIL # STPLUS TV4LX
Scaun universal pentru utilaje agricole / forestiere / industriale de înaltă calitate din stofă, cu baza culisantă, având posibilitatea de reglare 190 mm în față și în spate. Scaunul are o suspensie mecanică, 100 mm (cu telescop și 4 arcuri).
Acest scaun de tractor poate fi reglat în funcție de greutatea utilizatorului (50 - 130 kg).
Pentru un confort maxim:
- Coteira scaunului este reglabilă;
- Șezutul scaunului este cu pernă din poliuretan;
- Spătarul este cu vacuum;
- Înălțimea scaunului se poate regla (60 mm);
- Scaunul este echipat cu un spătar reglabil de la 30˚ la 85˚
Date tehnice scaun universal pentru utlaj agricol / forestier / industrial # STplus TV4LX
| Aplicație / Categorie | Utilaje agricole / forestiere / industriale |
| Scaun universal | √ |
| Suspensie mecanică extinsă | √ |
| Dinamica suspensiei | 100 mm (cu telescop și 4 arcuri) |
| Bază culisantă | Reglare 190 mm în față și în spate |
| Reglarea scaunului în funcție de greutate | 50 - 130 kg |
| Cotieră | Reglabilă |
| Reglare lombară mecanică | √ |
| Scaun cu pernă din poliuretan | √ |
| Spătar vacuum | √ |
| Înălțime reglabilă | 60 mm |
| Spătar reglabil | de la 30˚ la 85˚ |
| Spătar extensibil | √ |
| Material | Stofă |
| Culoare | Negru |
| Certificat | EU 1322/2014 – ECE R16.06 |
| Accesorii incluse: | |
![]() |
Extensie reglabilă pentru spătar |
![]() |
Cotieră reglabilă |
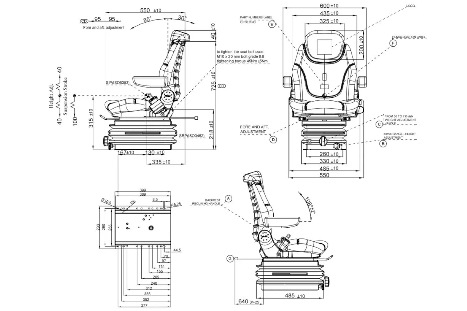
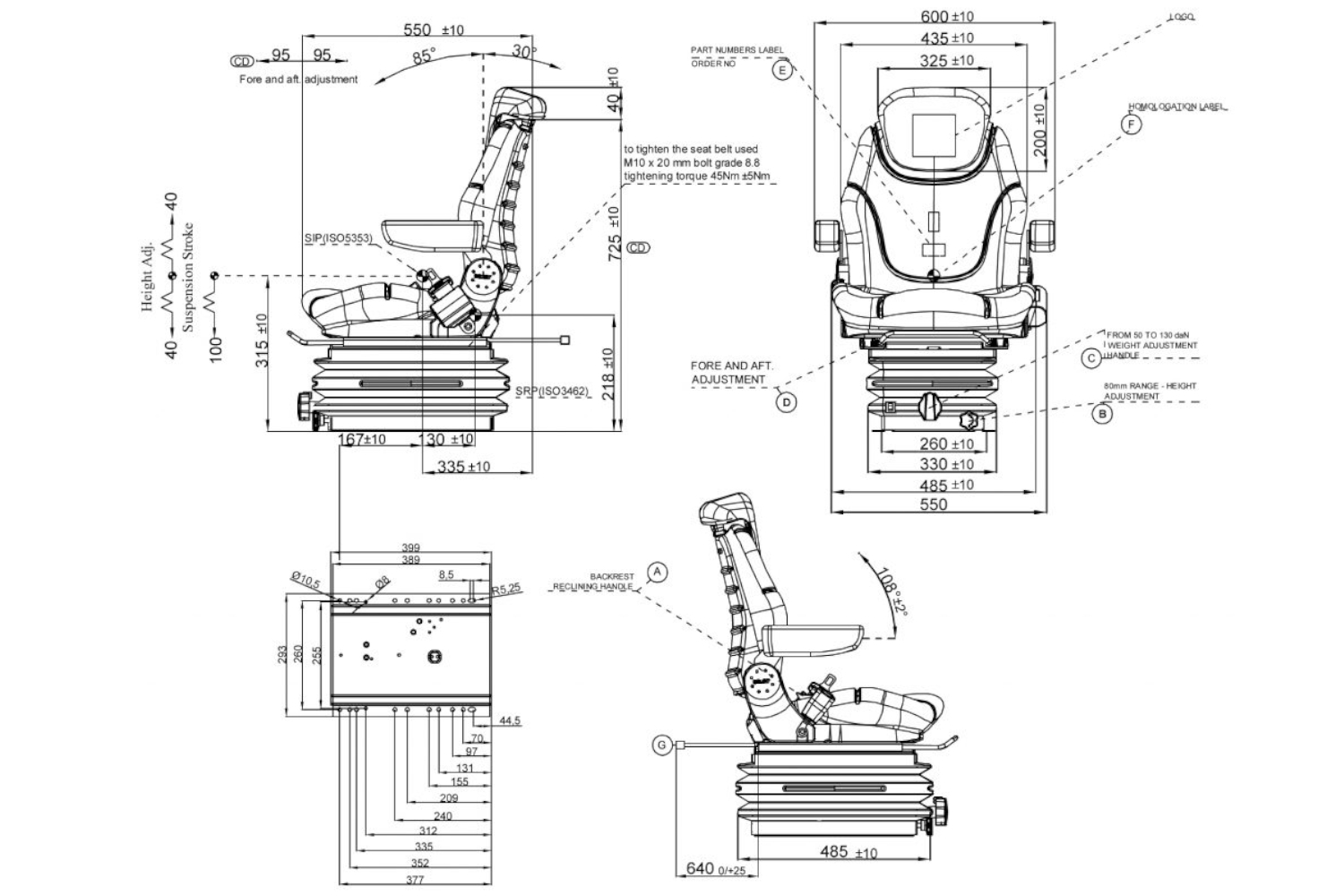
Desen tehnic:

Opțiuni de culoare și material la comandă:

Adauga un review
Gigi
in data de 04-07-2022 15:52:49
Review vizitator site
Confortabil si calitate





Review pentru: Scaun universal pentru utilaj agricol / forestier / industrial, mecanic, reglabil # STplus TV4LX
L-am comandat pt un utilaj, se potriveste si e foarte confortabil. Fce toti banii
Forestier
in data de 01-07-2022 15:51:13
Review vizitator site
Perfect.





Review pentru: Scaun universal pentru utilaj agricol / forestier / industrial, mecanic, reglabil # STplus TV4LX
L-am pus pe un tractor forestier. Merge perfect
Doru
in data de 01-07-2022 15:46:03
Review vizitator site
livrat rapid





Review pentru: Scaun universal pentru utilaj agricol / forestier / industrial, mecanic, reglabil # STplus TV4LX
Ca si calitate este excelent, este reglabil si se poate monta pe aproape orice, din ce am observat eu. Mie mi s-a potrivit la fix pe un CAT.
Marius
in data de 30-06-2022 15:58:32
Review vizitator site
Calitate garantata





Review pentru: Scaun universal pentru utilaj agricol / forestier / industrial, mecanic, reglabil # STplus TV4LX
Demult miam dorit un scaun pneumatic, este foarte bun si nu se compara cu cele mecanice
Daniel
in data de 30-06-2022 15:54:41
Review vizitator site
Isi merita banii





Review pentru: Scaun universal pentru utilaj agricol / forestier / industrial, mecanic, reglabil # STplus TV4LX
Este confortabil ca si un fotoliu. Isi merita banii.
Mihaila
in data de 29-06-2022 11:25:17
Review vizitator site
Se potriveste





Review pentru: Scaun universal pentru utilaj agricol / forestier / industrial, mecanic, reglabil # STplus TV4LX
Imi place ca se potriveste perfect.
Lazar
in data de 29-06-2022 10:00:29
Review vizitator site
Asa da





Review pentru: Scaun universal pentru utilaj agricol / forestier / industrial, mecanic, reglabil # STplus TV4LX
L-am comandat la indrumarea suportului tehnic si am doar cuvinte de lauda. Foarte buna calitatea.
Adrian
in data de 27-06-2022 10:26:59
Review vizitator site
Rapizi





Review pentru: Scaun universal pentru utilaj agricol / forestier / industrial, mecanic, reglabil # STplus TV4LX
Prompti
Adrian
in data de 24-06-2022 15:28:28
Review vizitator site
Foarte confortabil





Review pentru: Scaun universal pentru utilaj agricol / forestier / industrial, mecanic, reglabil # STplus TV4LX
Scaunul merge foarte bine pe compactor, mecanizatorul utilajului mi-a multumit.
Alex Serban
in data de 24-06-2022 08:12:02
Review vizitator site
Perfect





Review pentru: Scaun universal pentru utilaj agricol / forestier / industrial, mecanic, reglabil # STplus TV4LX
L-am cumparat pentru un New Holland. Se potriveste perfect.
Livrarea produselor se face cu firme de curierat rapid sau cu flota propie de mașini în întreaga arie naţională.


